Сибома-Транзит Сибома-Транзит
Гидравлические агрегаты поставка, гарантия, сервис по РФ и РБ
г. Ленинградская область, Офис и склад. 188354, Ленинградская область, Гатчинский район, д. Малое Верево, ул. Кутышева, дом 7
Пн-Пт: 9:00-17:00 офис
Пн-Пт: 09:30-16.30 склад

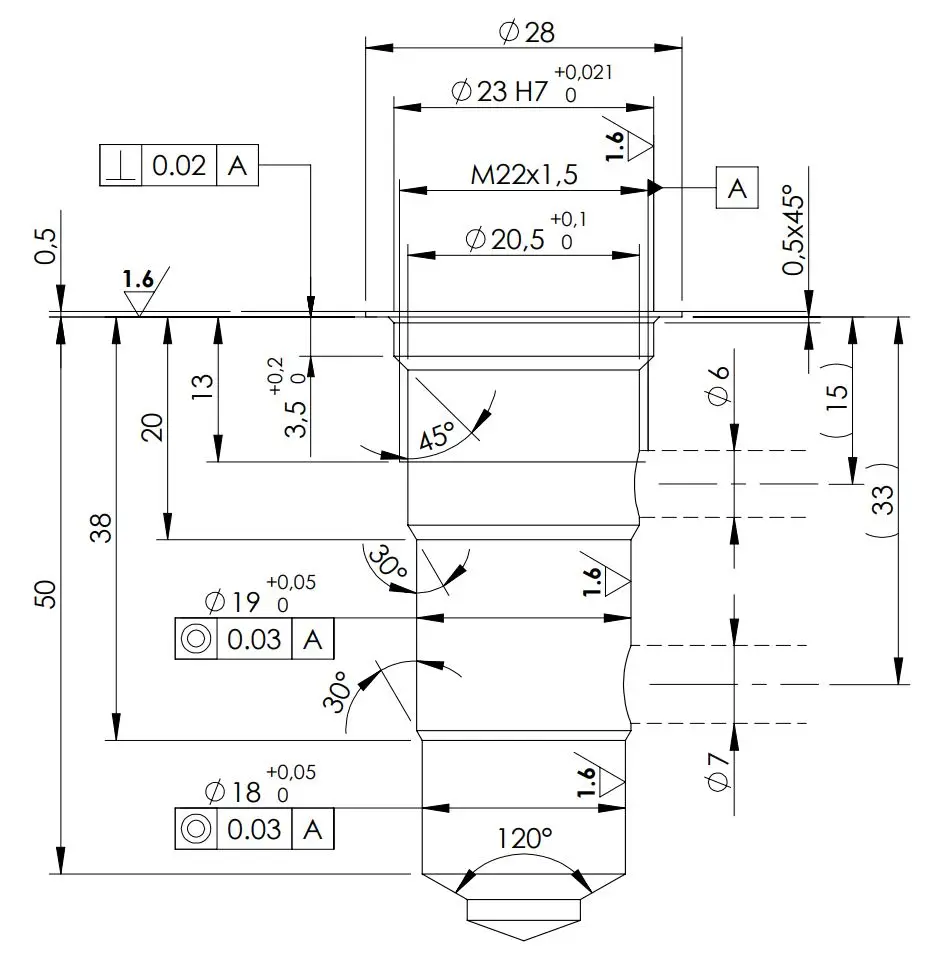
Пилотные обратные клапаны YDF10-00-00 Пилотный обратный клапан, гидрозамок

Пилотный обратный клапан, гидрозамок, ввинчиваемый, управляемый гидравлический обратный клапан для использования в блокирующих или удерживающих нагрузку контурах. Технические характеристики: Корпус клапана - оцинкованная сталь,  Максимальный расход - 45 л/мин, Рабочее давление - 240 бар ,  Температура эксплуатации -30 до +80 ºС. Cavity T5-S2
Товара нет в наличии, под заказ