Сибома-Транзит Сибома-Транзит
Гидравлические агрегаты поставка, гарантия, сервис по РФ и РБ
г. Ленинградская область, Офис и склад. 188354, Ленинградская область, Гатчинский район, д. Малое Верево, ул. Кутышева, дом 7
Пн-Пт: 9:00-17:00 офис
Пн-Пт: 09:30-16.30 склад

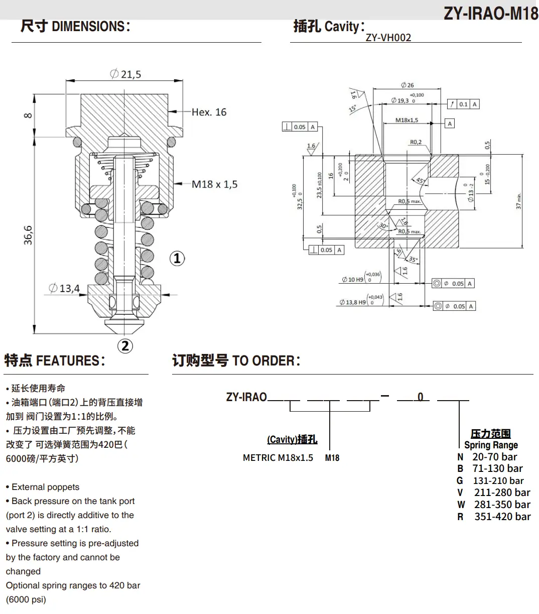
Предохранительные и противокавитационные клапаны IRA0-M18-0-W Предохранительные и противокавитационные клапаны

Предохранительные и противокавитационные клапаны – вставного типа. Технические характеристики: Корпус клапана - оцинкованная сталь, Максимальный расход - 60 л/мин, Рабочее давление - 450 бар, Давлеени открытия противокавитационного клапана - 0,5 бар, Температура эксплуатации -30 до +80 ºС.
1 930 руб.