Главная
Кабинет
Корзина
Главная
Кабинет
Корзина
0
Сибома-Транзит
Гидравлические агрегаты поставка, гарантия, сервис по РФ и РБ
+7 (911) 960-19-33
+7 (911) 960-19-33
г. Ленинградская область, Офис и склад. 188354, Ленинградская область, Гатчинский район, д. Малое Верево, ул. Кутышева, дом 7
Пн-Пт: 9:00-17:00 офис
Пн-Пт: 09:30-16.30 склад
info@siboma.spb.ru
Поиск
Войти
О компании
Главная страница
О компании
Новости
Фотогалерея
Каталог
АКСИАЛЬНЫЕ ГИДРОНАСОСЫ, МОТОРЫ И ЗАПЧАСТИ
ПРИМЕНЯЕМОСТЬ ГИДРОНАСОСОВ И МОТОРОВ
ЛЕСНАЯ ТЕХНИКА - ГИДРАВЛИКА
РАДИАЛЬНО ПОРШНЕВЫЕ ГИДРОМОТОРЫ и ЗАПЧАСТИ
РЕДУКТОРЫ ХОДА И ПОВОРОТА
ГИДРОЦИЛИНДРЫ
СТЕНДЫ ДЛЯ ИСПЫТАНИЯ ГИДРАВЛИЧЕСКИХ НАСОСОВ
ОРБИТАЛЬНЫЕ ГИДРОМОТОРЫ
РУЛЕВЫЕ АГРЕГАТЫ
ГИДРОКЛАПАНЫ
ЗАПЧАСТИ ДЛЯ ЭКСКАВАТОРОВ
СИСТЕМЫ ОЧИСТКИ РАБОЧЕЙ ЖИДКОСТИ
Определить модель
Документы
Бланки
Политика конфиденциальности
Пользовательское соглашение
Ремонт
Рембазы
Контакты
Новости
...
О компании
Главная страница
О компании
Новости
Фотогалерея
Каталог
АКСИАЛЬНЫЕ ГИДРОНАСОСЫ, МОТОРЫ И ЗАПЧАСТИ
REXROTH
KAWASAKI
SAUER-DANFOSS
LINDE
LIEBHERR
CATERPILLAR
PARKER
KOMATSU
HITACHI
HYUNDAI
EATON VICKERS
HENGLI
HAWE
ПНЕВМОСТРОЙМАШИНА
JIC
DOOSAN
KAYABA
KOBELCO
MITSUBISHI
NACHI
KUBOTA
TADANO
TOSHIBA
UCHIDA
VOLVO
YUKEN
РАЗНОЕ
ПРИМЕНЯЕМОСТЬ ГИДРОНАСОСОВ И МОТОРОВ
Насосы шестеренные
БЕЛАЗ
БРЯНСКИЙ АРСЕНАЛ ОАО
ГСТ
Крано-манипуляторные установки (КМУ)
КЭМЗ
ПЕТЕРБУРГСКИЙ ТРАКТОРНЫЙ ЗАВОД
TERRION (Террион)
РОСТСЕЛЬМАШ
Soilmec
ZOOMLION
ATLAS
BAUER
Deutz-Fahr
BOMAG
CASE
CATERPILLAR
DOOSAN
HITACHI
HYUNDAI
Омский Агрегатный завод им.В.В.Куйбышева
JCB
John Deere
KOBELCO
KOMATSU
LIEBHERR
LiuGong
LogMax
SANY
SUMITOMO
TEREX Fuchs
Vermeer
VOLVO
XCMG
ЛЕСНАЯ ТЕХНИКА - ГИДРАВЛИКА
John Deere цилиндры
Ponsse цилиндры
John Deere насосы
Ponsse насосы
Komatsu цилиндры
РАДИАЛЬНО ПОРШНЕВЫЕ ГИДРОМОТОРЫ и ЗАПЧАСТИ
MS, MG, MK Poclain
MCR Series 30, 31, 32 Bosch Rexroth
РЕДУКТОРЫ ХОДА И ПОВОРОТА
РЕДУКТОРЫ ХОДА
РЕДУКТОРЫ ПОВОРОТА
ГИДРОЦИЛИНДРЫ
"КАТРИНА" (СПб)
ГИДРОЦИЛИНДРЫ ГРЕЙФЕРА
ГИЛЬЗЫ ЦИЛИНДРОВ ПОВОРОТА КРАНА
СТЕНДЫ ДЛЯ ИСПЫТАНИЯ ГИДРАВЛИЧЕСКИХ НАСОСОВ
АКСИАЛЬНО ПОРШНЕВЫЕ НАСОСЫ
ОРБИТАЛЬНЫЕ ГИДРОМОТОРЫ
Героторные гидромоторы
РУЛЕВЫЕ АГРЕГАТЫ
НАСОС-ДОЗАТОР
КЛАПАНЫ
УСИЛИТЕЛИ ПОТОКА
ГИДРОКЛАПАНЫ
КАРТРИДЖНЫЕ КЛАПАНЫ
МОБИЛЬНАЯ ГИДРАВЛИКА
ПРОМЫШЛЕННАЯ ГИДРАВЛИКА
ЗАПЧАСТИ ДЛЯ ЭКСКАВАТОРОВ
ПАЛЬЦЫ, ВТУЛКИ
ХОДОВАЯ
СИСТЕМЫ ОЧИСТКИ РАБОЧЕЙ ЖИДКОСТИ
Станция очистки масла
Определить модель
Документы
Бланки
Политика конфиденциальности
Пользовательское соглашение
Ремонт
Рембазы
Контакты
Новости
О компании
Главная страница
О компании
Новости
Фотогалерея
Каталог
АКСИАЛЬНЫЕ ГИДРОНАСОСЫ, МОТОРЫ И ЗАПЧАСТИ
ПРИМЕНЯЕМОСТЬ ГИДРОНАСОСОВ И МОТОРОВ
ЛЕСНАЯ ТЕХНИКА - ГИДРАВЛИКА
РАДИАЛЬНО ПОРШНЕВЫЕ ГИДРОМОТОРЫ и ЗАПЧАСТИ
РЕДУКТОРЫ ХОДА И ПОВОРОТА
ГИДРОЦИЛИНДРЫ
СТЕНДЫ ДЛЯ ИСПЫТАНИЯ ГИДРАВЛИЧЕСКИХ НАСОСОВ
ОРБИТАЛЬНЫЕ ГИДРОМОТОРЫ
РУЛЕВЫЕ АГРЕГАТЫ
ГИДРОКЛАПАНЫ
ЗАПЧАСТИ ДЛЯ ЭКСКАВАТОРОВ
СИСТЕМЫ ОЧИСТКИ РАБОЧЕЙ ЖИДКОСТИ
Определить модель
Документы
Бланки
Политика конфиденциальности
Пользовательское соглашение
Ремонт
Рембазы
Контакты
Новости
...
О компании
Главная страница
О компании
Новости
Фотогалерея
Каталог
АКСИАЛЬНЫЕ ГИДРОНАСОСЫ, МОТОРЫ И ЗАПЧАСТИ
REXROTH
KAWASAKI
SAUER-DANFOSS
LINDE
LIEBHERR
CATERPILLAR
PARKER
KOMATSU
HITACHI
HYUNDAI
EATON VICKERS
HENGLI
HAWE
ПНЕВМОСТРОЙМАШИНА
JIC
DOOSAN
KAYABA
KOBELCO
MITSUBISHI
NACHI
KUBOTA
TADANO
TOSHIBA
UCHIDA
VOLVO
YUKEN
РАЗНОЕ
ПРИМЕНЯЕМОСТЬ ГИДРОНАСОСОВ И МОТОРОВ
Насосы шестеренные
БЕЛАЗ
БРЯНСКИЙ АРСЕНАЛ ОАО
ГСТ
Крано-манипуляторные установки (КМУ)
КЭМЗ
ПЕТЕРБУРГСКИЙ ТРАКТОРНЫЙ ЗАВОД
TERRION (Террион)
РОСТСЕЛЬМАШ
Soilmec
ZOOMLION
ATLAS
BAUER
Deutz-Fahr
BOMAG
CASE
CATERPILLAR
DOOSAN
HITACHI
HYUNDAI
Омский Агрегатный завод им.В.В.Куйбышева
JCB
John Deere
KOBELCO
KOMATSU
LIEBHERR
LiuGong
LogMax
SANY
SUMITOMO
TEREX Fuchs
Vermeer
VOLVO
XCMG
ЛЕСНАЯ ТЕХНИКА - ГИДРАВЛИКА
John Deere цилиндры
Ponsse цилиндры
John Deere насосы
Ponsse насосы
Komatsu цилиндры
РАДИАЛЬНО ПОРШНЕВЫЕ ГИДРОМОТОРЫ и ЗАПЧАСТИ
MS, MG, MK Poclain
MCR Series 30, 31, 32 Bosch Rexroth
РЕДУКТОРЫ ХОДА И ПОВОРОТА
РЕДУКТОРЫ ХОДА
РЕДУКТОРЫ ПОВОРОТА
ГИДРОЦИЛИНДРЫ
"КАТРИНА" (СПб)
ГИДРОЦИЛИНДРЫ ГРЕЙФЕРА
ГИЛЬЗЫ ЦИЛИНДРОВ ПОВОРОТА КРАНА
СТЕНДЫ ДЛЯ ИСПЫТАНИЯ ГИДРАВЛИЧЕСКИХ НАСОСОВ
АКСИАЛЬНО ПОРШНЕВЫЕ НАСОСЫ
ОРБИТАЛЬНЫЕ ГИДРОМОТОРЫ
Героторные гидромоторы
РУЛЕВЫЕ АГРЕГАТЫ
НАСОС-ДОЗАТОР
КЛАПАНЫ
УСИЛИТЕЛИ ПОТОКА
ГИДРОКЛАПАНЫ
КАРТРИДЖНЫЕ КЛАПАНЫ
МОБИЛЬНАЯ ГИДРАВЛИКА
ПРОМЫШЛЕННАЯ ГИДРАВЛИКА
ЗАПЧАСТИ ДЛЯ ЭКСКАВАТОРОВ
ПАЛЬЦЫ, ВТУЛКИ
ХОДОВАЯ
СИСТЕМЫ ОЧИСТКИ РАБОЧЕЙ ЖИДКОСТИ
Станция очистки масла
Определить модель
Документы
Бланки
Политика конфиденциальности
Пользовательское соглашение
Ремонт
Рембазы
Контакты
Новости
Поиск
О компании
Назад
О компании
Главная страница
О компании
Новости
Фотогалерея
Каталог
Назад
Каталог
АКСИАЛЬНЫЕ ГИДРОНАСОСЫ, МОТОРЫ И ЗАПЧАСТИ
Назад
АКСИАЛЬНЫЕ ГИДРОНАСОСЫ, МОТОРЫ И ЗАПЧАСТИ
REXROTH
KAWASAKI
SAUER-DANFOSS
LINDE
LIEBHERR
CATERPILLAR
PARKER
KOMATSU
HITACHI
HYUNDAI
EATON VICKERS
HENGLI
HAWE
ПНЕВМОСТРОЙМАШИНА
JIC
DOOSAN
KAYABA
KOBELCO
MITSUBISHI
NACHI
KUBOTA
TADANO
TOSHIBA
UCHIDA
VOLVO
YUKEN
РАЗНОЕ
ПРИМЕНЯЕМОСТЬ ГИДРОНАСОСОВ И МОТОРОВ
Назад
ПРИМЕНЯЕМОСТЬ ГИДРОНАСОСОВ И МОТОРОВ
Насосы шестеренные
БЕЛАЗ
БРЯНСКИЙ АРСЕНАЛ ОАО
ГСТ
Крано-манипуляторные установки (КМУ)
КЭМЗ
ПЕТЕРБУРГСКИЙ ТРАКТОРНЫЙ ЗАВОД
TERRION (Террион)
РОСТСЕЛЬМАШ
Soilmec
ZOOMLION
ATLAS
BAUER
Deutz-Fahr
BOMAG
CASE
CATERPILLAR
DOOSAN
HITACHI
HYUNDAI
Омский Агрегатный завод им.В.В.Куйбышева
JCB
John Deere
KOBELCO
KOMATSU
LIEBHERR
LiuGong
LogMax
SANY
SUMITOMO
TEREX Fuchs
Vermeer
VOLVO
XCMG
ЛЕСНАЯ ТЕХНИКА - ГИДРАВЛИКА
Назад
ЛЕСНАЯ ТЕХНИКА - ГИДРАВЛИКА
John Deere цилиндры
Ponsse цилиндры
John Deere насосы
Ponsse насосы
Komatsu цилиндры
РАДИАЛЬНО ПОРШНЕВЫЕ ГИДРОМОТОРЫ и ЗАПЧАСТИ
Назад
РАДИАЛЬНО ПОРШНЕВЫЕ ГИДРОМОТОРЫ и ЗАПЧАСТИ
MS, MG, MK Poclain
MCR Series 30, 31, 32 Bosch Rexroth
РЕДУКТОРЫ ХОДА И ПОВОРОТА
Назад
РЕДУКТОРЫ ХОДА И ПОВОРОТА
РЕДУКТОРЫ ХОДА
РЕДУКТОРЫ ПОВОРОТА
ГИДРОЦИЛИНДРЫ
Назад
ГИДРОЦИЛИНДРЫ
"КАТРИНА" (СПб)
ГИДРОЦИЛИНДРЫ ГРЕЙФЕРА
ГИЛЬЗЫ ЦИЛИНДРОВ ПОВОРОТА КРАНА
СТЕНДЫ ДЛЯ ИСПЫТАНИЯ ГИДРАВЛИЧЕСКИХ НАСОСОВ
Назад
СТЕНДЫ ДЛЯ ИСПЫТАНИЯ ГИДРАВЛИЧЕСКИХ НАСОСОВ
АКСИАЛЬНО ПОРШНЕВЫЕ НАСОСЫ
ОРБИТАЛЬНЫЕ ГИДРОМОТОРЫ
Назад
ОРБИТАЛЬНЫЕ ГИДРОМОТОРЫ
Героторные гидромоторы
РУЛЕВЫЕ АГРЕГАТЫ
Назад
РУЛЕВЫЕ АГРЕГАТЫ
НАСОС-ДОЗАТОР
КЛАПАНЫ
УСИЛИТЕЛИ ПОТОКА
ГИДРОКЛАПАНЫ
Назад
ГИДРОКЛАПАНЫ
КАРТРИДЖНЫЕ КЛАПАНЫ
МОБИЛЬНАЯ ГИДРАВЛИКА
ПРОМЫШЛЕННАЯ ГИДРАВЛИКА
ЗАПЧАСТИ ДЛЯ ЭКСКАВАТОРОВ
Назад
ЗАПЧАСТИ ДЛЯ ЭКСКАВАТОРОВ
ПАЛЬЦЫ, ВТУЛКИ
ХОДОВАЯ
СИСТЕМЫ ОЧИСТКИ РАБОЧЕЙ ЖИДКОСТИ
Назад
СИСТЕМЫ ОЧИСТКИ РАБОЧЕЙ ЖИДКОСТИ
Станция очистки масла
Определить модель
Документы
Назад
Документы
Бланки
Политика конфиденциальности
Пользовательское соглашение
Ремонт
Рембазы
Контакты
Новости
+7 (911) 960-19-33
info@siboma.spb.ru
Личный кабинет
Корзина
Поиск
Главная
/
Каталог товаров
/
ГИДРОКЛАПАНЫ
/
ПРОМЫШЛЕННАЯ ГИДРАВЛИКА
/
Редукционные клапана
/
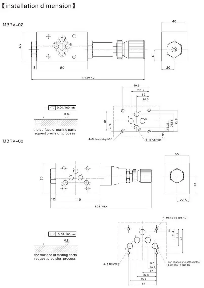
Редукционные клапана MBRV-02PK1 клапан
Редукционные клапана MBRV-02PK1 клапан
Печатная версия
Двухлинейный гидравлический клапан
5 815 руб.
〈
〉