Сибома-Транзит Сибома-Транзит
Гидравлические агрегаты поставка, гарантия, сервис по РФ и РБ
г. Ленинградская область, Офис и склад. 188354, Ленинградская область, Гатчинский район, д. Малое Верево, ул. Кутышева, дом 7
Пн-Пт: 9:00-17:00 офис
Пн-Пт: 09:30-16.30 склад

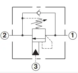
Тормозные клапаны CBIA-LHN Тормозной (уравновешивающий) клапан

Тормозной (уравновешивающий) клапан (гидроклапан) картриджного (ввертного) исполнения. Технические характеристики: Корпус клапана - оцинкованная сталь, Максимальный расход - 60 л/мин, Рабочее давление - 280 бар, Пилотное соотношение - 3:1, Давлеени открытия противокавитационного клапана - 1,7 бар, Температура эксплуатации -30 до +80 ºС.
Товара нет в наличии, под заказ