Сибома-Транзит Сибома-Транзит
Гидравлические агрегаты поставка, гарантия, сервис по РФ и РБ
г. Ленинградская область, Офис и склад. 188354, Ленинградская область, Гатчинский район, д. Малое Верево, ул. Кутышева, дом 7
Пн-Пт: 9:00-17:00 офис
Пн-Пт: 09:30-16.30 склад

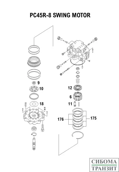
Komatsu Limited (Комацу) 708-7R-00014 SWING MOTOR

Позиция Наименование Цена Кол-во    
3 Манжета 22x42x10 990 руб.    
6 Блок цилиндров 13 746 руб.    
9 Шарнир 1 415 руб.    
10 Установочная пластина 2 315 руб.    
11 Поршень с башмаком 14x38.9 1 369 руб.    
12 Распределитель 4 294 руб.    
18 Опорная плита 1 357 руб.    
175 Разделительная плита 486 руб.    
176 Фрикционная пластина 512 руб.    
ОЖИДАЕТ ПОСТУПЛЕНИЯ ПОД ЗАКАЗ