Сибома-Транзит Сибома-Транзит
Гидравлические агрегаты поставка, гарантия, сервис по РФ и РБ
г. Ленинградская область, Офис и склад. 188354, Ленинградская область, Гатчинский район, д. Малое Верево, ул. Кутышева, дом 7
Пн-Пт: 9:00-17:00 офис
Пн-Пт: 09:30-16.30 склад

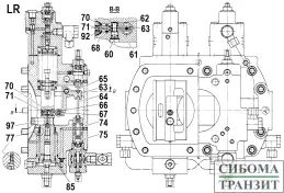
Bosch Rexroth (Рексрот) A8VO55

Позиция Наименование Цена Кол-во    
2 Комплект уплотнений с манжетой 40x62x7 2 661 руб.    
6 Блок цилиндров 86x53.5 14 363 руб.    
10 Прижимная пластина 1 897 руб.    
100+101 Ведущий и ведомый валы EK18 47 658 руб.    
12 Распределитель R 5 558 руб.    
12 Распределитель L 5 848 руб.    
20 Поршень с кольцами 20x64.3 2 233 руб.    
22 Центральный шип (под тарельчатую пружину) 2 086 руб.    
24 Тарельчатая пружина 95 руб.    
67 ORIG Цапфа LR 8 266 руб.    
101 Ведомый вал L119.5 d112z53 20 628 руб.    
107 Малый подшипник вала 45x85x20,75 4 860 руб.    
112 ORIG Шестерня бокового привода T18d25 26 932 руб.    
112 Шестерня бокового привода T9d16.8 (EK18) 12 487 руб.    
115 Большой подшипник вала 45x85x19 3 724 руб.    
150 Шестерённый насос T22 10 464 руб.    
150 Шестерённый насос T16 14 104 руб.    
ОЖИДАЕТ ПОСТУПЛЕНИЯ ПОД ЗАКАЗ